甘肅省合作早子溝金礦有限責任公司
邊角礦石招标文件
本次招标産品爲我公司邊角礦石。投标人需提供“三證合一”的營業執照複印件、法人授權委托書(原件)并加蓋企業公章,并于2025年6月26日 17: 00 前将上述材料送交甘肅省合作早子溝金礦有限責任公司審計科法務人員進行審核,審核合格後的單位應于2025年6月26日17:00前交納投标保證金(見下表,保證金須以轉賬方式支付)。投标保證金交納金額與我公司招标文件要求不符的、投标保證金未及時到賬的視爲廢标。若投标人最終未中标,則由投标人開具收款收據後,我公司将一次性無息退還投标保證金。
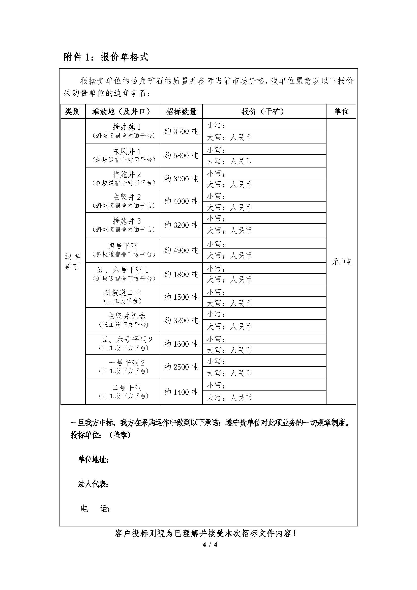
本次招标産品如下:

注:本次招标産品數量爲預估數,投标按幹礦報價,中标結算濕礦以實際過磅數爲準,水分按2%扣除計算幹礦;我公司開具甘肅省增值稅普通發票(黃金)。
投标保證金交納賬戶如下:
戶名:甘肅省合作早子溝金礦有限責任公司
開戶行:工商銀行合作市支行營業室
賬号:2715080129200084613
行号:102838000020
聯 系 人:劉亞軍 電 話:15309414629
1.标書要求
标書須法定代表人或代理人簽字并加蓋公章,客戶将原件掃描後于2025年6月26日14:00-17:00間發送至招金礦業指定投标郵箱:zjkyxsb@163.com。
注:
①标書郵件發送主題格式爲“招标單位名稱+投标單位名稱”,2025年6月26日17:00時标書未發送至指定郵箱的則視爲自動放棄投标資格。
②發送投标書的發件人即“郵箱發送地址”不能出現重複,即一個郵箱地址隻能報送一個投标單位的标書。
③投标單位不得發送多封報價郵件,若出現多封報價郵件,則以最後時間發送的爲準。
④請投标人如實填寫單位及法定代表人或代理人名稱,以保證今後貨款支付、合同簽訂、發票開具單位的一緻性(附标書格式:見附頁)。
⑤招标出現兩家及以上中标的,招标産品平均分配銷售,或客戶同意後作爲廢标處理,重新招标。
2.本次招标爲一次性報價,在标書報送截止後現場制定底标并立即進行開标。高于底标的最高報價單位爲中标單位,報價全部低于底标爲流标;開标時符合投标要求的投标人少于三家則爲流标;若投标人中标後放棄中标資格的,我公司扣留全額投标保證金,不予退回;中标人必須在合同生效後10個工作日内付清100%貨款到賬。
3.招标結束之後中标人必須在 3 個工作日内預付貨款進行拉運。中标人需在中标後 3 日内進行合同簽訂(簽署合同的同時,投标保證金轉爲同等金額的履約保證金),并根據合同約定事項,進行款項預付及貨物裝運。如中标人在合同規定時間内預付貨款不能及時到位,我公司将取消其本次中标資格并扣除全額投标保證金;若中标人未聽從我公司安排在規定時間内裝完貨物,我公司将有權終止合同并扣除中标人全額履約保證金(本次招标産品于2025年7月25日前拉運完畢)。爲保障中标人的權益,我公司承諾,在此次招标産品數量内,我公司将不會銷售給除中标人以外的任何客戶。如本次招标有違反上述約定的行爲,請貴公司撥打舉報電話進行投訴,舉報電話:0535-8262976。
4.如無異議,請投标人将此招标文件和報價單加蓋企業公章(或按捺手印)原件掃描後發送至指定投标郵箱;報價單所需填寫的數據原則上要求電子版,若手寫須大小寫注明,如有塗改、不清晰或大小寫不一緻的視爲廢标。其他未盡事宜,以中标後簽訂的合同條款約定爲準。
招标咨詢電話:李春才 13893927587
本次招标最終解釋權歸甘肅省合作早子溝金礦有限責任公司。
甘肅省合作早子溝金礦有限責任公司
2025年6月20日
投标人(簽字)蓋章
日期:
